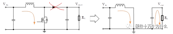
Boost电源电路是一种DC-DC升压电路,能够将低电压升高到较高电压。其基本原理是利用电感储能和电容储能的方式,通过开关管的开关控制,将输入电压进行短时间内的变化,从而使输出电压得到升压。通过调整开关管的开关频率和占空比,可以控制输出电压的大小和稳定性。00001. 1. Boost电路的控制器和转换器 开关电源的主要部件包括:输入源、开关管、储能电感、控制电路、二极管、负载和输出电容。如果功率不是特别大,IC厂家会将开关管、控制电路、二极管集成到一颗电源管理芯片中,极大简化了外部电路。 按照是否集成MOSFET,可以将电源IC分类为转换器、控制器。从集成度来看,Boost变换器也可以这样分类,分为集成MOSFET的Boost转换器,以及外置MOSFET的Boost控制器。低功耗升压转换器可满足对小尺寸解决方案、低成本和高功率密度的需求,不需要外接MOSFET,电路更简单,成本更低,PCB布局更紧凑,如图6.1所示。 图6.1 Boost变换器(电源芯片集成MOSFET) 或者有些Boost变换器集成了一个MOSFET,二极管外置,实现一个非同步Boost电路,如图6.2所示。 图6.2Boost变换器(电源芯片集成一个MOSFET,不集成二极管) 如果电源芯片不集成MOSFET,则可以通过外接MOSFET或者二极管,实现更高的功率级别,我们则把这样的Boost电路的芯片称为Boost控制器,如图6.3所示。 图6.3 Boost控制器(电源芯片不集成MOSFET) 2. 同步控制器与非同步控制器 同步Boost和非同步Boost都是DC-DC升压电路,它们都能够将低电压升高到较高电压。它们之间的区别在于控制方式和效率。跟Buck一样,Boost也有用MOSFET替代二极管来应对更高功率场景的。 (1)控制方式 同步Boost电路在电路中添加同步开关管,与电感共同完成能量转换。非同步Boost电路只有一个开关管,它通过开关管和电感的关系来控制电能的储存和输出。 (2)效率 同步Boost电路的效率一般比非同步Boost电路高,因为同步Boost电路的同步开关管可以减少开关管导通时的能量损失,从而提高转换效率。 然而,同步Boost电路的成本相对较高,而且对于高功率应用来说,同步开关管需要承受更大的电流和电压,这也会导致一定的损耗和热量产生。因此,对于一些低功率应用,非同步Boost电路可能更为经济和实用。 同步Boost和非同步Boost各有其适用场景。需要根据具体的应用场景和需求选择适合的电路。非同步Boost电路和非同步Buck一样,有一个二极管进行续流,如图6.4所示,左图为变换器,右图为控制器。 图6.4 非同步Boost电路 在同步Boost电路中,使用MOSFET代替二极管。因此,需要一个额外的栅极驱动器用于同步MOSFET,如图6.5所示。 图6.5 同步Boost电路 3. Boost电路的工作过程 我们以非同步Boost电路为例,基本工作过程如下: (1)在电路的输入端(Vin)输入低电压直流电源。 (2)输入电压进入开关管,开始充电。同时,电感中的电流也开始增加,储存电能。 (3)当开关管关闭时,电感中的电流将继续流动,并通过二极管输出到电容上。在这个过程中,电容被充电,使输出电压逐渐升高。 (4)当输出电压升高到一定程度后,电路中的反馈控制电路将通过反馈信号控制开关管的开关频率和占空比,以使输出电压保持稳定。 (5)在电路的输出端接上负载,电路会不断监测输出电压,并通过反馈控制电路动态调整开关管的开关频率和占空比,以保证输出电压的稳定性。 我们重点理解,充电和放电两个部分,通过理解充电和放电的过程来理解Boost电路的工作原理和工作过程。 第一部分:充电 如果控制器把MOSFET控制导通。电源对电感进行充电,如图6.6所示: 图6.6 当MOSFET打开时,Boost电路的等效电路 当开关管导通的时候,电感接地,二极管截止,此时输入电源对电感进行充电,电流的方向由左向右流动,电感左+右-,电感两端电压即是输入电压。 在充电过程中,MOSFET导通,开关(MOSFET)处用导线代替。这时,输入电压流过电感。二极管反向截止,防止电容对地放电。由于输入是直流电,所以电感上的电流以一定的比率线性增加,这个比率跟电感大小有关。随着电感电流增加,电感里储存了一些能量。 第二部分:放电 当开关断开(MOSFET截止)时的等效电路如图6.7所示。 图6.7 当MOSFET关闭时,Boost电路的等效电路 当开关断开(MOSFET截止)时,由于电感的电流保持特性,流经电感的电流不会马上变为0,而是缓慢的由充电完毕时的值变为0。而原来的电路已断开,电感只能通过新电路放电,即电感开始给电容充电,电容两端电压升高,此时电压已经高于输入电压了。升压完毕。 说起来升压过程就是一个电感的能量传递过程。充电时,电感吸收能量,放电时电感放出能量。如果电容量足够大,那么在输出端就可以在放电过程中保持一个持续的电流。如果这个通断的过程不断重复,就可以在电容两端得到高于输入电压的电压。 4. Boost电路升压原理 在Boost电路中,当MOSFET打开时,电感电流持续增加,当MOSFET关闭时,电感电流持续减少,如图6.8所示。 图6.8 开关过程中电感电流变化曲线 当开关管不导通的时候,此时电感已经被冲上电 ,由楞次定理可知,此时电感的电流不会立即减小到0,电流的方向依然由左向右,二极管导通,导通后就存在导通压降。电感两端电压 ,这个输出电压就是Boost升压,电感在开关管关断时,电感放电,给输出滤波电容和负载充电。 开关管导通时,电源经由电感-开关管形成回路,电流在电感中转化为磁能贮存;开关管关断时,电感中的磁能转化为电能在电感端左负右正,此电压叠加在电源正端,经由二极管-负载形成回路,完成升压功能。既然如此,提高转换效率就要从三个方面着手:尽可能降低开关管导通时回路的阻抗,使电能尽可能多的转化为磁能;尽可能降低负载回路的阻抗,使磁能尽可能多的转化为电能,同时回路的损耗最低;尽可能降低控制电路的消耗,因为对于转换来说,控制电路的消耗某种意义上是浪费掉的,不能转化为负载上的能量。 5. 同步Boost电路的死区时间 同步Boost电路中,死区时间是指在同步开关管导通或关闭时,为了避免两个MOSFET同时导通而导致的瞬态过流和损耗,需要设置两个开关管的导通之间的时间间隔,称为死区时间,如图6.9中的td1和td2。 图6.9 开关过程中死区时间示意图 死区时间也可以称为交叉导通时间或交叉关闭时间。通常,同步Boost电路的死区时间设置为几十纳秒到几微秒之间,与输入电压和温度都有关系,如图6.10所示。可以通过实验或模拟计算的方式,确定合适的死区时间,并在电路中设置对应的死区时间控制电路,来保证电路的稳定性和效率。 图6.9 死区时间与输入电压和温度的关系实例图 死区时间的设置需要考虑多方面因素,如开关管的响应时间、电感电流的变化速率、电容电压的变化速率等。死区时间过短会导致交叉导通或交叉关闭,造成开关管损坏和电路不稳定;死区时间过长则会导致电路效率降低和电磁干扰的增加。 |





