|
在电路系统中,负电压的应用远没有正电压多,因此是很多人忽略的一个电源架构,很多同学经常就会问,怎么产生负电压?
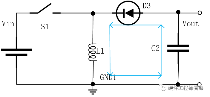
BUCK-BOOST是一种经典的负电源架构,属于斩波器的一种,广泛应用在OLED驱动、音频等领域,其基本架构见下图,与BUCK、BOOST一样,BUCK-BOOST也是由基本的开关、二极管和电感组成。
BUCK-BOOST工作流程也分为开关断开和导通两个过程,开关的周期为T,占空比为D,当开关闭合导通时,电源对储能电感充电:
当开关断开时,电感通过二极管向负载放电(要注意电流方向).
根据伏秒平衡原理,开关在断开时和导通时,电感储存的能量是相等的:
整理公式可以得到输入输出之间的关系:
占空比D是小于1的系数,因此0<1-D<1,因此BUCK-BOOST是升降压型斩波电源:|Vout|>Vin;Vout<0。 以上就是BUCK-BOOST负电压电源基本原理介绍。后面会讲解如何对电感进行选型。 |











